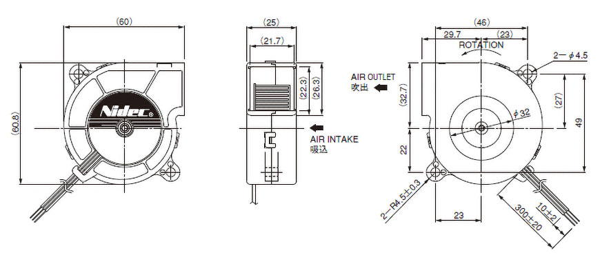
Technická data: • Rozměry:W60×H61 mm • Pracovní teplota:-10~70 °C • Životnost:30000 hod. • Hmotnost:260g
• Kuličková ložiska • Napájení:12V • Jm.proud:0,33 A • Jm. výkon:3,96 W • Rychlost:5 500 min-1 • Max. vzduch 0.26 m3/min • Max. vzduch (CFM):9,18 CFM • Max. statický tlak : 0.92 inchH2O • Zvukový tlak: 40 dB[A]
KATALOG